The CMOS oscillator is available on all datasheets and seems to be pretty reliable. I have also found on my high school book formulas for computing both loading capacitors and resistor! (in a soon-to-be-published article in this blog)
Once I solved the SixBox microphone amplifier clipping distortion (too much amplification), I had to get a proper frequency deviation for 6m NBFM: about 9 kHz on 50 MHz, that's 3 kHz at the XTAL fundamental frequency.

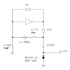
I tried different varicaps, from a BB105 to a IR LED through ordinary 5mm RED LED. In order to measure VXO frequency change I drove the varicap through a resistive potentiometer. The XTAL had a 4.7uH molded choke in series, to reduce the overall oscillator Q. The following diagram plots two configurations:
"Config A" had 115pF load plus the BB105 plus the 4.7uH.
"Config B" had 33pF load plus any diode plus the 4.7uH.
In both cases the varicap is in series with a 100pF DC blocking capacitor.
Curiously the same values of "Config B" were obtained with a BB105, a 1N4003 and several LEDs. The usable deviation at the fundamental frequency is about 1.6 kHz, which results in low and distorted modulation at 50 MHz.
In another attempt I repeated these tests without the molder choke and the swing was even less. This effect light up a possible solution: use a larger inductor in series with XTAL!
When I replaced the 4.7uH with a 10uH choke the swing extended to 3kHz at the fundamental frequency, with the same curve as shown in the picture above.
Where do I stand now? I have the ability to obtain a proper deviation at 50.7 MHz but I have to restrict the varicap modulating voltage between 7-8V and 10V.